யுகிங் டோங்டா வயர் எலக்ட்ரிக் ஃபேக்டரியின் மைக்ரோ ஸ்விட்ச் சீரிஸின் பெஞ்ச்மார்க் மாடலாக, குளிர்சாதனப் பெட்டி மற்றும் எலக்ட்ரிக் டாய்ஸிற்கான சாதாரணமாக ஓப்பன் ஆட்டோமேட்டிக் ரீசெட் மைக்ரோ ஸ்விட்ச் "உயர் உணர்திறன், மிக நீண்ட ஆயுட்காலம் மற்றும் பல காட்சிகளை மாற்றியமைக்கும் தன்மை" ஆகியவற்றை அதன் முக்கிய நன்மைகளாகக் கொண்டுள்ளது. நிறுவனத்தின் 35 ஆண்டுகால சுவிட்ச் உற்பத்தி நிபுணத்துவத்தை ஒருங்கிணைத்து, வீட்டு உபகரணங்கள், வாகன மின்னணுவியல், தொழில்துறை ஆட்டோமேஷன் மற்றும் பிற துறைகளில் இது ஒரு முக்கிய கட்டுப்பாட்டு அங்கமாக மாறியுள்ளது, அதன் குறைந்தபட்ச தொடர்பு இடைவெளி மற்றும் விரைவான செயல் பொறிமுறைக்கு நன்றி. அதன் செயல்திறன் மற்றும் நம்பகத்தன்மை உலகெங்கிலும் உள்ள பல அதிகாரப்பூர்வ நிறுவனங்களால் சான்றளிக்கப்பட்டது, முக்கிய சந்தையில் அதன் முக்கிய இடத்தைப் பாதுகாக்கிறது.
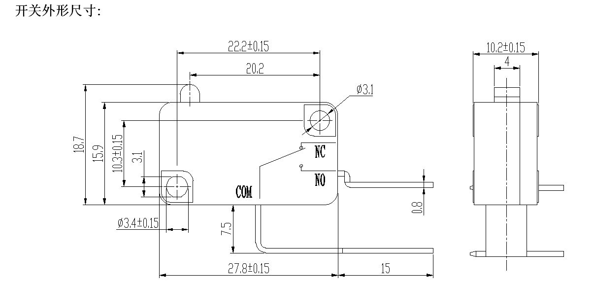
மைக்ரோ ஸ்விட்ச் அறிமுகம்
HK-14 தொடர் வேறுபட்ட பயன்பாட்டுத் தேவைகளைப் பூர்த்தி செய்ய மிகவும் நெகிழ்வான தனிப்பயனாக்குதல் விருப்பங்களை வழங்குகிறது. இயக்க விசையை தனிப்பயனாக்கலாம் (நெம்புகோல் இல்லாத நிலையில் 5.0 N க்கும் குறைவானது, நிலையான 30±15 gf), 0.6–1.5 மிமீ இயக்க பக்கவாதம் வரம்புடன், வெவ்வேறு தூண்டுதல் விசை மற்றும் இடப்பெயர்ச்சி சூழ்நிலைகளுக்கு ஏற்றது. நெம்புகோல் பாணிகள் நேராக, வளைந்த மற்றும் ரோலர் நெம்புகோல்கள் உட்பட தனிப்பயனாக்கக்கூடியவை, அவை பல்வேறு இயந்திர பரிமாற்ற கட்டமைப்புகளுடன் பொருந்தக்கூடியவை. தொடர்பு படிவங்கள் முழு அளவிலான SPDT (1NO 1NC), NO மற்றும் NC ஆகியவற்றை உள்ளடக்கியது.
மைக்ரோ ஸ்விட்ச் அளவுரு (விவரக்குறிப்பு)
| தொழில்நுட்ப பண்புகளை மாற்றவும்: | |||
| உருப்படி | தொழில்நுட்ப அளவுரு | மதிப்பு | |
| 1 | மின் மதிப்பீடு | 5(2)A/10A/16(3)A/21(8)A 250VAC | |
| 2 | தொடர்பு எதிர்ப்பு | ≤30mΩ ஆரம்ப மதிப்பு | |
| 3 | காப்பு எதிர்ப்பு | ≥100MΩ (500VDC) | |
| 4 |
மின்கடத்தா மின்னழுத்தம் |
இடையில் இணைக்கப்படாத டெர்மினல்கள் |
1000V/0.5mA/60S |
|
டெர்மினல்களுக்கு இடையில் மற்றும் உலோக சட்டகம் |
3000V/0.5mA/60S | ||
| 5 | மின்சார வாழ்க்கை | ≥50000 சுழற்சிகள் | |
| 6 | இயந்திர வாழ்க்கை | ≥1000000 சுழற்சிகள் | |
| 7 | இயக்க வெப்பநிலை | -25~125℃ | |
| 8 | இயக்க அதிர்வெண் |
மின்சார :15 சுழற்சிகள் இயந்திரவியல்: 60 சுழற்சிகள் |
|
| 9 | அதிர்வு ஆதாரம் |
அதிர்வு அதிர்வெண் : 10~55HZ; வீச்சு: 1.5 மிமீ; மூன்று திசைகள்: 1H |
|
| 10 |
சாலிடர் திறன்: 80% க்கும் அதிகமான பகுதி மூழ்கியது சாலிடரால் மூடப்பட்டிருக்க வேண்டும் |
சாலிடரிங் வெப்பநிலை:235±5℃ மூழ்கும் நேரம் :2~3S |
|
| 11 | சாலிடர் வெப்ப எதிர்ப்பு |
டிப் சாலிடரிங் :260±5℃ 5±1S கைமுறை சாலிடரிங் : 300±5℃ 2~3S |
|
| 12 | பாதுகாப்பு ஒப்புதல்கள் | UL, CSA, VDE, ENEC, TUV, CE, KC, CQC | |
| 13 | சோதனை நிபந்தனைகள் |
சுற்றுப்புற வெப்பநிலை:20±5℃ சார்பு ஈரப்பதம்:65±5%RH காற்றழுத்தம் :86~106KPa |
|
மைக்ரோ ஸ்விட்ச் அம்சம் மற்றும் பயன்பாடு
மைக்ரோ ஸ்விட்ச் விவரங்கள்
